Магазин запчастей для бытовой техники - Arlos
Москва
close
Выберите ваш регион
АбаканАлександровАльметьевскАнгарскАрзамасАрмавирАртемАрхангельскАстраханьАчинскБалаковоБалашихаБеларусьБелгородБердскБерезникиБийскБлаговещенскБратскБрянскВеликий НовгородВидноеВладивостокВладикавказВладимирВолгоградВолгодонскВолжскийВологдаВолховВоркутаВоронежВоскресенскВыборгГатчинаГеленджикГрозныйДедовскДербентДзержинскДзержинскийДимитровградДмитровДолгопрудныйДомодедовоДонецкЕвпаторияЕгорьевскЕкатеринбургЕлецЕссентукиЖелезногорскЖелезнодорожныйЖуковскийЗеленоградЗлатоустИвановоИвантеевкаИжевскИркутскИстраЙошкар-ОлаКазаньКалининградКалугаКаменск-УральскийКамышинКаспийскКемеровоКерчьКировКисловодскКлинКовровКоломнаКомсомольск-на-АмуреКопейскКоролёвКостромаКотельникиКрасногорскКраснодарКраснознаменскКрасноярскКурганКурскКызылЛенинск-КузнецкийЛипецкЛобняЛыткариноЛюберцыМагнитогорскМайкопМалаховкаМахачкалаМиассМоскваМурманскМуромМытищиНабережные ЧелныНазраньНальчикНаро-ФоминскНахабиноНаходкаНевинномысскНефтекамскНефтеюганскНижневартовскНижнекамскНижний НовгородНижний ТагилНовокузнецкНовокуйбышевскНовомосковскНовороссийскНовосибирскНовоуральскНовочебоксарскНовочеркасскНовошахтинскНовый УренгойНогинскНорильскНоябрьскОбнинскОдинцовоОктябрьскийОмскОрелОренбургОрехово-ЗуевоОрскПавловский ПосадПензаПервоуральскПермьПетрозаводскПетропавловск-КамчатскийПодольскПрокопьевскПсковПушкиноПятигорскРаменскоеРеутовРостов-на-ДонуРубцовскРыбинскРязаньСакиСалаватСамараСанкт-ПетербургСаранскСаратовСевастопольСеверодвинскСеверскСергиев ПосадСерпуховСимферопольСмоленскСосновый БорСочиСтавропольСтарый ОсколСтерлитамакСтупиноСургутСызраньСыктывкарТаганрогТамбовТверьТихвинТольяттиТомилиноТомскТроицкТулаТюменьУлан-УдэУльяновскУссурийскУсть-ИлимскУфаУхтаФеодосияФрязиноХабаровскХанты-МансийскХасавюртХимкиЧебоксарыЧелябинскЧереповецЧеркесскЧеховЧитаШахтыЩелковоЭлектростальЭлистаЭнгельсЮжно-СахалинскЯкутскЯлтаЯрославль
  • - бесплатно по РФ
    Автоперезвон. Работает по принципу: Вы позвонили на номер, мы сбрасываем звонок и перезваниваем через 3 секунды.
  • - по Москве
  • 8 (925) 663-83-63

Call-центр

пн-вс: 10:00-19:00

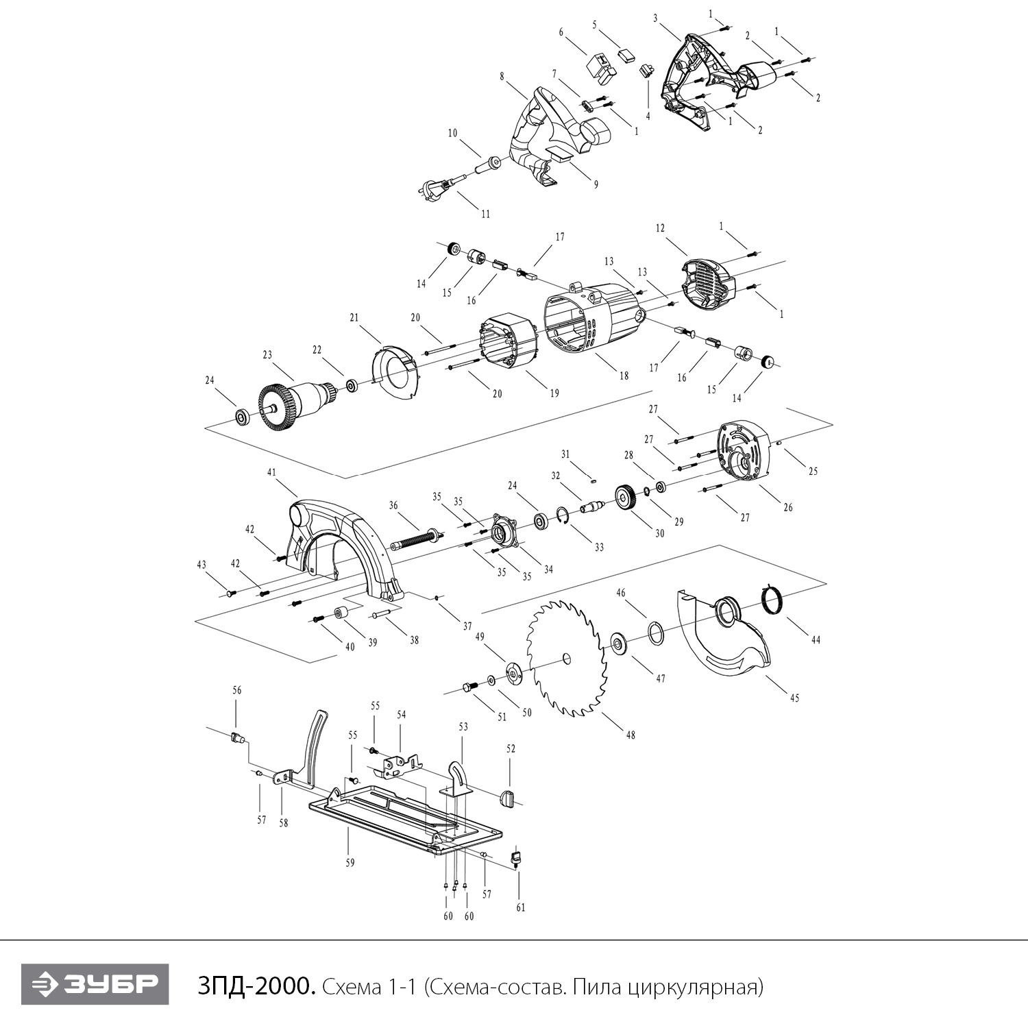
Пила циркулярная ЗПД-2000

Данная модель имеет несколько схем

NАртикулНазваниеСрок отгрузкиЦенаКупить
1 UM02-000-027 Саморез 4x18 PH2
1.09 U009-607-RS0 Подшипник шариковый 607 RS (19х7х6) U009-607-RS0 для болгарок УШМ-П125-850, AGS-125-1000
1.20 U009-608-RS0 Подшипник шариковый 608-2RS (22х8х7) U009-608-RS0 для пил ЗПС-850 Э, ЗПТ-210-1300-Л
2 UM06-001-004 Кольцо стопорное D11 разжимное UM06-001-004 для ЗДА-9.6-К, ЗНАС-1000
3 U505-200-003 Ручка левая часть 307 р.
4 U103-600-040 Клеммник
4 UM06-000-004 Кольцо стопорное D5 UM06-000-004 для ЗПД-2000, ЗУШМ-115-600 67 р.
5 U353-110-055 Конденсатор 0.22 мкФ
6 U505-200-006 Выключатель FA7-10/2 10(10)A 250V~ 5E4 294 р.
7 U362-110-045 Прижим шнура
8 U505-200-008 Ручка правая часть 307 р.
9 U505-200-009 Блок плавного пуска 04-210
10 U098-001-001 Воротник шнура
11 U099-004-006 Шнур сетевой H05RN-F Rubber 2Gх1мм2 2м
12 U505-200-012 Крышка задняя 158 р.
13 UM02-000-093 Саморез 4x10 PH2
14 U505-160-015 Крышка щеткодержателя
15C U505-200-015-C Щеткодержатель D22хL30 в сборе
17 U505-200-017-W Щетка графитовая (пара) 6.5х11х19
18 U505-200-018 Корпус двигателя U505-200-018 для пил ПД-75, ЗПД-2000
19 U505-200-019 Статор
21 U505-200-021 Защита статора
23 UM04-002-016 Шайба D17хd8.5х2 UM04-002-016 для пил циркулярных ПД-55, ЗПД-1300
23 U505-200-023 Ротор КД (z=7) 3.175 р.
24 U009-600-1RS Подшипник шариковый 6001-2Z (28х12х8) CHFZ
24 U505-200-049 Фланец прижимной внешний D40х4.5 U505-200-049 для пил ПД-75, ЗПД-2000
25 U505-130-021 Штифт резиновый D5х8
26 U505-200-047 Фланец прижимной D30 внутренний D40x9 U505-200-047 для пил ПД-75, ЗПД-2000
26 U505-200-026 Промщит 723 р.
30 U505-200-030 Шестерня 562 р.
31 U505-200-031 Шпонка 3х3х10 77 р.
32 U505-200-032 Шпиндель под шпонку M6 U505-200-032 для пилы ЗПД-2000 286 р.
33 UM06-002-004 Кольцо стопорное сжимное D30
34 U505-200-034 Фланец 238 р.
35 UM01-000-018 Винт M4x14 РН2
36 U255-122-039 Ручка глубиномера 158 р.
38 U505-200-038 Штифт 58 р.
39 U505-200-039 Отбойник резиновый 21 р.
40 UM01-000-134 Винт M6x24 РН2
41 U505-200-041 Кожух диска 1.335 р.
42 UM01-000-078 Винт M5x15 РН2
43 U255-120-044 Винт M6х16
44 U505-200-044 Пружина кручения D50xd47.5xh6
45 U505-200-045 Кожух подвижный 846 р.
46 U505-130-035 Пружина стопорная D38.1хd33.1х1.3
51 UM03-000-021 Болт M8x20 усиленный
52 U255-122-062 Гайка-барашек М5
53 U505-200-053 Кронштейн
54 U505-200-054 Скоба
55 U155-150-058 Болт M5х12 мебельный
56 U255-122-057 Гайка-барашек М5
57 U255-120-066 Заклепка
58 U505-200-058 Глубиномер
59 U505-200-059 Стол 1.613 р.
60 U505-900-061 Заклепка
61 U255-122-063 Винт-барашек M5
76 UM04-001-003 Шайба-гровер D5
77 UM04-001-002 Шайба-гровер D4
78 U505-200-032-C Шпиндель M6 в сборе с шестерней (EV 30-34) # 822 р.
Найдено товаров: 59
1
▲ Наверх
0
8 (925) 663-83-63

Call-центр

пн-вс: 10:00-19:00

НАЙТИ ПО МОДЕЛИ
Введите номер заказа
Введите номер своего заказа, что бы узнать его текущий статус.
Что бы получить доступ к расширенным функциям, пройдите не сложную регистрацию. Зарегистрироваться