8 (925) 663-83-63Call-центр
пн-вс: 10:00-19:00
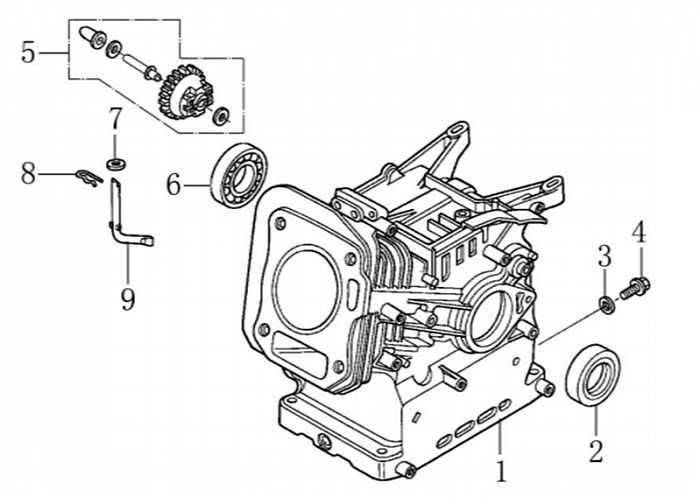
| N | Артикул | Название | Срок отгрузки | Цена | Купить |
| 1 | 110810005-0001 | Картер68мм | 4.261 р. | ||
| 2 | DAC010 | Сальник 25х41,25х6 | 91 р. | ||
| 3 | 380450514-0001 | Шайба алюминиевая 10х16х1,5 | – | ||
| 4 | 110260025-0001 | Болт для слива масла М10х15х1,25 | – | ||
| 5 | FAK000 | Регулятор оборотов центробежный | 145 р. | ||
| 6 | 521010010501 | Подшипник коленвала 6205 | 235 р. | ||
| 7 | 380450531-0001 | Шайба 6х13х1 | – | ||
| 8 | 381350004-0001 | Шплинт | – | ||
| 9 | DAL001 | Вал рычага регулятора оборотов | 51 р. |
| Найдено товаров: 9 |
|
8 (925) 663-83-63 Call-центр
пн-вс: 10:00-19:00
| Введите номер заказа |
| Введите номер своего заказа, что бы узнать его текущий статус. Что бы получить доступ к расширенным функциям, пройдите не сложную регистрацию. Зарегистрироваться |