Магазин запчастей для бытовой техники - Arlos
Москва
close
Выберите ваш регион
АбаканАлександровАльметьевскАнгарскАрзамасАрмавирАртемАрхангельскАстраханьАчинскБалаковоБалашихаБеларусьБелгородБердскБерезникиБийскБлаговещенскБратскБрянскВеликий НовгородВидноеВладивостокВладикавказВладимирВолгоградВолгодонскВолжскийВологдаВолховВоркутаВоронежВоскресенскВыборгГатчинаГеленджикГрозныйДедовскДербентДзержинскДзержинскийДимитровградДмитровДолгопрудныйДомодедовоДонецкЕвпаторияЕгорьевскЕкатеринбургЕлецЕссентукиЖелезногорскЖелезнодорожныйЖуковскийЗеленоградЗлатоустИвановоИвантеевкаИжевскИркутскИстраЙошкар-ОлаКазаньКалининградКалугаКаменск-УральскийКамышинКаспийскКемеровоКерчьКировКисловодскКлинКовровКоломнаКомсомольск-на-АмуреКопейскКоролёвКостромаКотельникиКрасногорскКраснодарКраснознаменскКрасноярскКурганКурскКызылЛенинск-КузнецкийЛипецкЛобняЛыткариноЛюберцыМагнитогорскМайкопМалаховкаМахачкалаМиассМоскваМурманскМуромМытищиНабережные ЧелныНазраньНальчикНаро-ФоминскНахабиноНаходкаНевинномысскНефтекамскНефтеюганскНижневартовскНижнекамскНижний НовгородНижний ТагилНовокузнецкНовокуйбышевскНовомосковскНовороссийскНовосибирскНовоуральскНовочебоксарскНовочеркасскНовошахтинскНовый УренгойНогинскНорильскНоябрьскОбнинскОдинцовоОктябрьскийОмскОрелОренбургОрехово-ЗуевоОрскПавловский ПосадПензаПервоуральскПермьПетрозаводскПетропавловск-КамчатскийПодольскПрокопьевскПсковПушкиноПятигорскРаменскоеРеутовРостов-на-ДонуРубцовскРыбинскРязаньСакиСалаватСамараСанкт-ПетербургСаранскСаратовСевастопольСеверодвинскСеверскСергиев ПосадСерпуховСимферопольСмоленскСосновый БорСочиСтавропольСтарый ОсколСтерлитамакСтупиноСургутСызраньСыктывкарТаганрогТамбовТверьТихвинТольяттиТомилиноТомскТроицкТулаТюменьУлан-УдэУльяновскУссурийскУсть-ИлимскУфаУхтаФеодосияФрязиноХабаровскХанты-МансийскХасавюртХимкиЧебоксарыЧелябинскЧереповецЧеркесскЧеховЧитаШахтыЩелковоЭлектростальЭлистаЭнгельсЮжно-СахалинскЯкутскЯлтаЯрославль
  • - бесплатно по РФ
    Автоперезвон. Работает по принципу: Вы позвонили на номер, мы сбрасываем звонок и перезваниваем через 3 секунды.
  • - по Москве
  • 8 (925) 663-83-63

Call-центр

пн-вс: 10:00-19:00

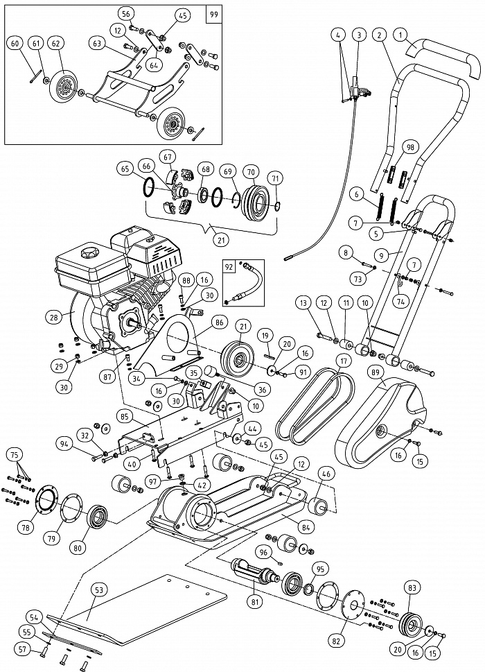
1 РЕМЕНЬ - ШКИВ - ВИБРАТОР - СЦЕПЛЕНИЕ -ПОДШИПНИКИ ВИБРОПЛИТА CHAMPION PC6337F

NАртикулНазваниеСрок отгрузкиЦенаКупить
1 2914210108 Накладка рукоятки 5-7 рабочих дней
2 2914210110 Рукоятка, верхняя часть 5-7 рабочих дней 813 р.
3 5010369 Рычаггаза, комплект с тросом 5-7 рабочих дней 275 р.
4 GBT8182000-5-30 Винт М5х30 с шайбой 5-7 рабочих дней
5 2010062 Болт М6х50 5-7 рабочих дней
6 2914210109 Пружина 5-7 рабочих дней 44 р.
7 2030008 Гайка самоконтрящаяся М6 5-7 рабочих дней
8 2010060 Болт М6х40 5-7 рабочих дней
9 2914210010 Рукоятка, нижняя часть 5-7 рабочих дней
10 2030076 Гайка самоконтр. с фланцемМ10 5-7 рабочих дней
11 2914210106 Втулка резиновая 5-7 рабочих дней 82 р.
12 2040004 Шайба D10 5-7 рабочих дней
13 2010027 Болт М10х65 5-7 рабочих дней
15 2010067 Болт М8х20 5-7 рабочих дней 44 р.
16 2040011 Шайба гроверная D8 5-7 рабочих дней
17 2080069 Ремень клиновой A725Li 755Ld 5-7 рабочих дней 568 р.
19 2050087 Шпонка 5х5х35 5-7 рабочих дней 37 р.
20 2914260907 Шайба 5-7 рабочих дней
21 8071161 Шкив ведущий и сцепление в сборе 5-7 рабочих дней 3.764 р.
28 Двигатель G160F K1526 5-7 рабочих дней
29 2030009 Гайка самоконтрящаяся М8 5-7 рабочих дней
30 2040003 Шайба D8 5-7 рабочих дней
32 2030027 Гайка с рельефным фланцемМ8 5-7 рабочих дней
34 2010066 Болт М8х16 5-7 рабочих дней
35 2914240906 Демпфер хода рукоятки верхний 5-7 рабочих дней 41 р.
36 2914240907 Демпфер хода рукоятки нижний 5-7 рабочих дней 73 р.
40 2010136 Болт мебельный М8х40 5-7 рабочих дней
42 2040048 Шайба с резиновым кольцомD14 5-7 рабочих дней 32 р.
44 2914260909 Шайба 11х38х3 5-7 рабочих дней
45 2030010 Гайка самоконтрящаяся М10 5-7 рабочих дней
46 2914250905 Демпфер 5-7 рабочих дней 290 р.
53 C1709 Ковер для виброплиты 2914260901 5-7 рабочих дней
54 2914260010 Пластина прижимная 5-7 рабочих дней 170 р.
55 2040012 Шайба гроверная D10 5-7 рабочих дней
56 2010080 Болт М10х30 5-7 рабочих дней
57 2010078 Болт М10х20 5-7 рабочих дней
60 2050135 Шплинт 2,5х25 5-7 рабочих дней
61 2040005 Шайба D12 5-7 рабочих дней
62 2914270902 Колесо 5-7 рабочих дней 970 р.
63 2914270020 Рама колесная 5-7 рабочих дней
64 2914270901 Пластина соединительная 5-7 рабочих дней 100 р.
65 2914240903 Пружина муфты сцепления 5-7 рабочих дней 30 р.
66 2914240901 Ступица сцепления 5-7 рабочих дней
67 2914240904A Колодка фрикционная 5-7 рабочих дней
68 2060111 Подшипник 6006 2RS 5-7 рабочих дней 285 р.
69 2040070 Кольцо стопорное D55 5-7 рабочих дней 18 р.
70 2914240902 Шкив сцепления пустой 5-7 рабочих дней
71 2040090 Кольцо стопорное D30 5-7 рабочих дней 16 р.
75 2010228 Болт М6х20 + шайба + гровер 5-7 рабочих дней
78 2914250904 Крышка подшипника правая 5-7 рабочих дней 44 р.
79 5060035 Прокладка 5-7 рабочих дней 64 р.
80 2060117 Подшипник 6209 5-7 рабочих дней 806 р.
81 5050837 Вал эксцентрик 5-7 рабочих дней 1.671 р.
82 2914250902 Крышка подшипника левая 5-7 рабочих дней 534 р.
83 8050753 Шкив ведомый 5-7 рабочих дней 722 р.
84 2914250010 Плита вибратора 5-7 рабочих дней 13.814 р.
85 2914240041 Рама крепления двигателя 5-7 рабочих дней 4.289 р.
86 2914240061 Суппорт кожуха ремня 5-7 рабочих дней 1.222 р.
87 2020200 Винт М8х14 5-7 рабочих дней
88 2020190 Винт М8х20 5-7 рабочих дней 590 р.
89 2914200901 Кожух ремня защитный 5-7 рабочих дней 342 р.
91 2010068 Болт М8х25 5-7 рабочих дней 44 р.
92 5010356 Шлангсливной + шайба упл. D10 + 5-7 рабочих дней
94 2010073 Болт М8х45 5-7 рабочих дней
95 2070086 Сальник 30х42х6 5-7 рабочих дней 188 р.
96 2050134 Шпонка 6х18 5-7 рабочих дней 34 р.
97 2914260908 Пробка резьбовая М14х1,5 5-7 рабочих дней
98 2914210113 Пластина 5-7 рабочих дней 110 р.
99 C1707 Тележка транспортировочная 5-7 рабочих дней
Найдено товаров: 69
1
▲ Наверх
0
8 (925) 663-83-63

Call-центр

пн-вс: 10:00-19:00

НАЙТИ ПО МОДЕЛИ
Введите номер заказа
Введите номер своего заказа, что бы узнать его текущий статус.
Что бы получить доступ к расширенным функциям, пройдите не сложную регистрацию. Зарегистрироваться