Магазин запчастей для бытовой техники - Arlos
Москва
close
Выберите ваш регион
АбаканАлександровАльметьевскАнгарскАрзамасАрмавирАртемАрхангельскАстраханьАчинскБалаковоБалашихаБеларусьБелгородБердскБерезникиБийскБлаговещенскБратскБрянскВеликий НовгородВидноеВладивостокВладикавказВладимирВолгоградВолгодонскВолжскийВологдаВолховВоркутаВоронежВоскресенскВыборгГатчинаГеленджикГрозныйДедовскДербентДзержинскДзержинскийДимитровградДмитровДолгопрудныйДомодедовоДонецкЕвпаторияЕгорьевскЕкатеринбургЕлецЕссентукиЖелезногорскЖелезнодорожныйЖуковскийЗеленоградЗлатоустИвановоИвантеевкаИжевскИркутскИстраЙошкар-ОлаКазаньКалининградКалугаКаменск-УральскийКамышинКаспийскКемеровоКерчьКировКисловодскКлинКовровКоломнаКомсомольск-на-АмуреКопейскКоролёвКостромаКотельникиКрасногорскКраснодарКраснознаменскКрасноярскКурганКурскКызылЛенинск-КузнецкийЛипецкЛобняЛыткариноЛюберцыМагнитогорскМайкопМалаховкаМахачкалаМиассМоскваМурманскМуромМытищиНабережные ЧелныНазраньНальчикНаро-ФоминскНахабиноНаходкаНевинномысскНефтекамскНефтеюганскНижневартовскНижнекамскНижний НовгородНижний ТагилНовокузнецкНовокуйбышевскНовомосковскНовороссийскНовосибирскНовоуральскНовочебоксарскНовочеркасскНовошахтинскНовый УренгойНогинскНорильскНоябрьскОбнинскОдинцовоОктябрьскийОмскОрелОренбургОрехово-ЗуевоОрскПавловский ПосадПензаПервоуральскПермьПетрозаводскПетропавловск-КамчатскийПодольскПрокопьевскПсковПушкиноПятигорскРаменскоеРеутовРостов-на-ДонуРубцовскРыбинскРязаньСакиСалаватСамараСанкт-ПетербургСаранскСаратовСевастопольСеверодвинскСеверскСергиев ПосадСерпуховСимферопольСмоленскСосновый БорСочиСтавропольСтарый ОсколСтерлитамакСтупиноСургутСызраньСыктывкарТаганрогТамбовТверьТихвинТольяттиТомилиноТомскТроицкТулаТюменьУлан-УдэУльяновскУссурийскУсть-ИлимскУфаУхтаФеодосияФрязиноХабаровскХанты-МансийскХасавюртХимкиЧебоксарыЧелябинскЧереповецЧеркесскЧеховЧитаШахтыЩелковоЭлектростальЭлистаЭнгельсЮжно-СахалинскЯкутскЯлтаЯрославль
  • - бесплатно по РФ
    Автоперезвон. Работает по принципу: Вы позвонили на номер, мы сбрасываем звонок и перезваниваем через 3 секунды.
  • - по Москве
  • 8 (925) 663-83-63

Call-центр

пн-вс: 10:00-19:00

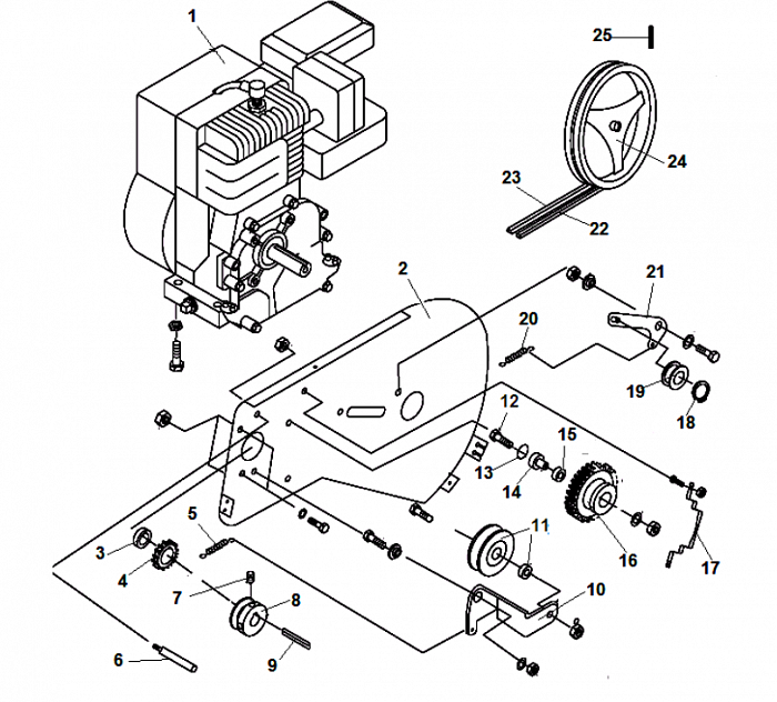
1 РЕМЕНЬ - ШКИВ - ДВИГАТЕЛЬ КУЛЬТИВАТОР CHAMPION BC6612H

NАртикулНазваниеСрок отгрузкиЦенаКупить
1 GX160 Двигатель 5-7 рабочих дней
2 802026 Боковой лист кожуха ремня 5-7 рабочих дней 1.638 р.
3 801033 Шайба шестерни 5-7 рабочих дней
4 804025 Шестерня заднего хода маленькая 5-7 рабочих дней 173 р.
5 801066 Пружина кронштейна 5-7 рабочих дней 60 р.
6 801046 Ограничитель ремня 5-7 рабочих дней
7 801018 Винт крепления шкива 5-7 рабочих дней
8 807010 Шкив ремня (двигатель) 5-7 рабочих дней 487 р.
9 801065 Шпонка коленвала 5-7 рабочих дней 35 р.
10 802028 Кронштейн ролика натяжения 5-7 рабочих дней 298 р.
11 804024 Ролик натяжения ремня переднего 5-7 рабочих дней 311 р.
12 801004 Болт крепления шестерни 5-7 рабочих дней
13 801056 Кольцо стопорное 5-7 рабочих дней
14 801034 Втулка шестерни заднего хода 5-7 рабочих дней 86 р.
15 801069 Подшипник шестерни заднего хода 5-7 рабочих дней 213 р.
16 804064 Шестерня заднего хода 5-7 рабочих дней 888 р.
17 802030 Скоба ограничительная 5-7 рабочих дней 119 р.
18 801014 Кольцо стопорное 5-7 рабочих дней
19 804015 Ролик натяжения ремня заднего хода 5-7 рабочих дней 238 р.
20 801067 Пружина кронштейна ролика 5-7 рабочих дней 65 р.
21 802080 Кронштейн ролика натяжения ремня 5-7 рабочих дней 178 р.
22 807006 Ремень переднего хода 5-7 рабочих дней 738 р.
23 807015 Ремень заднего хода М37 (L-925мм, b-10мм), CHAMPION(IGP) 807015 5-7 рабочих дней 491 р.
24 804007 Шкив ремня (редуктор) 5-7 рабочих дней 1.408 р.
25 801050 Шпонка шкива редуктора 5-7 рабочих дней 36 р.
Найдено товаров: 25
1
▲ Наверх
0
8 (925) 663-83-63

Call-центр

пн-вс: 10:00-19:00

НАЙТИ ПО МОДЕЛИ
Введите номер заказа
Введите номер своего заказа, что бы узнать его текущий статус.
Что бы получить доступ к расширенным функциям, пройдите не сложную регистрацию. Зарегистрироваться